日本語
日付: 06/16/2025
ブラウズ: 6,701

図1。電圧レギュレータ
電子デバイスは、入力電圧または負荷条件が変動する場合でも、確実に動作するために安定した電圧供給を必要とします。電圧レギュレータは、内部抵抗(線形調節因子)を調整するか、エネルギー貯蔵要素(スイッチングレギュレーター)をスイッチングすることにより、一貫した出力を保証します。
コンピューターやスマートフォンから自動車システムや通信機器まで、電圧の不安定性からサーキットを保護するために電圧調整器が必要であり、それによりパフォーマンスが向上し、コンポーネントの寿命が延長されます。
電圧調整器は、線形とスイッチングの2つの主要なカテゴリに分類されます。それぞれが異なるパワー、ノイズ、効率の要件を提供します。

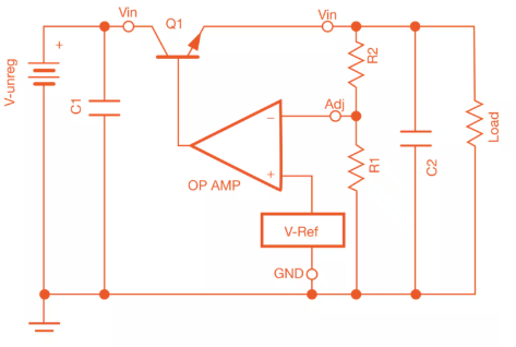
図2。線形調節因子
線形調節因子は、過剰な電圧を熱として放散することにより、清潔で低ノイズのDC出力を提供します。彼らは、線形領域で動作するBJTまたはMOSFETを使用して、出力を安定させます。シンプルで手頃な価格ですが、入力電圧が出力よりもはるかに高い場合、それらは非効率的です。
使用する電圧制御方法に応じて、線形調節因子は、特定の負荷条件に適した異なるタイプにさらに分割されます。

図3。シリーズレギュレーター
•シリーズレギュレーター: 荷重とともに直列に配置され、制御要素全体の電圧を調整して出力を調整します。ノイズが低いため、オーディオおよびアナログシステムで一般的です。

図4。シャントレギュレーター
•シャントレギュレーター: 負荷と並行して接続されているため、過剰な電流を地面に流用します。シンプルさとコストのために、電圧参照システムなどの低電力回路で使用されます。

図5。レギュレーターの切り替え
リニアレギュレーターが行うように、熱のように過剰なエネルギーを放散する代わりに、レギュレーターを切り替えてエネルギーを離散パケットに放出し、電力損失を最小限に抑えます。
スイッチングレギュレーターは、パルス幅変調(PWM)を使用して動作します。ここでは、デューティサイクルが出力に送達されるエネルギーの量を決定します。これらの調節因子は、速く切り替えられる性質のため、電気ノイズとリップルを生成し、インダクタとコンデンサを使用した追加のフィルタリングが必要です。電磁干渉(EMI)を最小限に抑え、安定した性能を維持するには、適切なレイアウトとシールドが必要です。
通常、80〜95%であるため、バッテリー駆動または熱に敏感なシステムに最適です。発熱の減少により、ヒートシンクが小さいか、まったく必要ありません。広い入力範囲に対応し、調整可能またはプログラム可能な出力電圧を提供できます。
自動車システム - レギュレーターは、バッテリー電圧、電力ECU、およびADAやLED照明などのシステムを安定させます。スパイクを防ぎ、さまざまな負荷条件で一貫したパフォーマンスを確保します。
産業自動化 - ロボット工学および制御システムでは、レギュレーターはモーターとセンサーをディップやサージから保護し、エラーとダウンタイムを削減します。
電気通信 - 安定した電圧は、途切れないデータ送信と低信号潜時のために、ルーター、スイッチ、およびベースステーションでアクティブになります。
配電 - ユーティリティグリッドと変電所は、レギュレーターを使用して、負荷需要の変化、信頼性と電力品質の向上中に電圧の安定性を維持します。
|
考慮 |
説明 |
|
入出力電圧 |
レギュレータの電圧範囲を確保します
回路の要件に適しています。 |
|
出力電流容量 |
満たすかそれを超えるレギュレーターを選択します
あなたの負荷の現在のニーズ。 |
|
効率 |
タイプの切り替えを選択します
エネルギー批判またはバッテリー駆動のデザイン。 |
|
ノイズパフォーマンス |
低雑音には線形タイプを使用します
オーディオやRFシステムなどの環境。 |
|
熱管理 |
使用している場合は、ヒートシンクまたはエアフローの計画を立てます
高出力または線形調節因子。 |
回路が不安定性または誤った出力の兆候を示している場合は、このチェックリストに従って一般的なレギュレーターの問題を診断します。
•入力電圧と出力電圧を確認します。 マルチメーターを使用して、入力電圧が推奨範囲内にあることを確認します。出力を測定して、指定された値と一致するようにします。
•過熱を検査する: 過度の熱を感じたり、変色を探してください。過熱が明らかな場合は、熱管理を改善するか、負荷を減らします。
•負荷を調べます。 負荷を取り外し、ノーロード電圧を測定します。出力が正常に戻ると、負荷はレギュレーターの容量を超える場合があります。
•コンデンサの状態を確認します。 老化または誤ったコンデンサは、不安定性を引き起こす可能性があります。値と配置をデータシートの推奨事項と比較します。必要に応じて、損傷したコンデンサを交換してください。
•ショートパンツまたはオープン接続を探します。 出力と地面の間のショートパンツを確認してください。また、PCBトレースとはんだジョイントを調べて、損傷や接続性が低いことを確認します。
•保護機能のレビュー: 一部の規制当局には、熱シャットダウンと電流制限が含まれます。レギュレータがオンとオフを循環する場合、組み込みの保護をアクティブにしている可能性があります。
•オシロスコープを使用します。 レギュレーターの切り替えの場合、マルチメーターではノイズとリップルが明らかではない場合があります。オシロスコープを使用して、波形の完全性、リップル電圧、およびEMIの動作を評価します。
•安定した出力電圧: 電圧調整器は、入力電圧の変化や負荷電流の変動に関係なく、一貫した出力電圧を維持します。これにより、電子回路の適切な動作が保証され、パワーの変動によって引き起こされるパフォーマンスの問題が防止されます。
•敏感なデバイスを保護する: それ以外の場合は、統合された回路、マイクロコントローラー、またはその他の繊細な部品を損傷する可能性のある電圧スパイク、サージ、またはディップからコンポーネントを保護します。これは、正確な電圧レベルに依存するデバイスで特に重要です。
•さまざまなニーズのさまざまなタイプ: 線形調節因子はシンプルで、低ノイズ環境に最適ですが、スイッチングレギュレーターはより効率的で優れています。この柔軟性により、エンジニアは特定のニーズに最適なタイプを選択できます。
•低ノイズ出力(線形調節因子): 線形調節因子は、滑らかでリップルのないDC出力を生成し、電気ノイズを最小限に抑える必要があるオーディオ、センサー、アナログアプリケーションに最適です。
•高効率(スイッチングレギュレーター): スイッチングレギュレーターは、インダクタやコンデンサなどのエネルギー貯蔵コンポーネントを使用して、迅速にオン /オフすることにより、電力をより効率的に変換します。これにより、電力損失と熱生成が減少します。これは、コンパクトまたはエネルギーに敏感な設計に最適です。
•熱生成(線形タイプ): 線形調節因子は、過剰な電圧を熱として放散することにより機能します。入力電圧が出力よりも大幅に高い場合、エネルギー損失が増加し、過熱を防ぐためにヒートシンクまたは冷却メカニズムが必要です。
•効率が低い(線形): 未使用のエネルギーは熱として無駄になっているため、大きな電圧の違いがあるシナリオでは非効率的であり、エネルギー保存が深刻な高出力用途やバッテリー操作システムには適さないためです。
•電磁干渉(スイッチングタイプ): スイッチングレギュレーターは、ノイズと電磁干渉(EMI)を導入できる高周波信号を生成し、近くの敏感な回路に潜在的に影響します。多くの場合、追加のフィルタリングとシールドが必要です。
•より複雑なデザイン(スイッチングタイプ): スイッチングレギュレーターを使用した設計には、慎重なレイアウト、コンポーネントの選択、およびEMI制御が含まれます。これにより、PCB設計に複雑さが加わり、開発時間とコストが増加する可能性があります。
電圧レギュレーターは、安定した効率的な電子パフォーマンスのバックボーンです。シンプルなアナログ回路であろうと複雑なデジタルシステムを使用している場合でも、適切なレギュレーター(線形またはスイッチングであろうと)を選択すると、電力効率、熱管理、ノイズ性能に大きな違いが生じる可能性があります。自動車電子機器から産業制御システムまで、コンポーネントを保護し、一貫した生産量を確保する上での役割が必要です。それらがどのように機能するか、それらを適用する場所、および問題のトラブルシューティング方法を理解することにより、機能的であるだけでなく、回復力と長期にわたる回路を構築できます。
一般的な兆候には、出力電圧の変動、過度の熱、または接続されたデバイスが誤動作することが含まれます。マルチメーターを使用して、正しい入力/出力値をチェックし、過熱、損傷したコンポーネント、またはコンデンサの問題を検査します。
はい、ブースト(ステップアップ)スイッチングレギュレーターは、入力電圧をより高い出力レベルに増加させます。電源が必要な動作電圧よりも低いアプリケーションに最適です。
電源はACをDCに変換し、レギュレーションを含む場合がありますが、電圧レギュレータは、負荷または入力電圧の変化があっても、定常電圧出力を具体的に維持します。
ほとんどの電圧レギュレーターは、DCアプリケーション向けに設計されています。ただし、自動電圧レギュレーター(AVR)などの専門的なレギュレーターは、発電機または主電源システムでよく使用されるAC電圧を安定させることができます。
コンデンサは、ノイズをフィルタリングし、電流の変化をバッファリングすることにより、電圧を安定させます。それらは振動を防ぎ、スムーズな出力を確保します。これは、特に一時的な応答が高速なレギュレーターを切り替える上で重要です。
CAP CER 1000PF 50V X5R 0402
CAP CER 220PF 10V X7R 01005
IC MCU 32BIT 128KB FLASH 64LQFP
IC DRAM 64MBIT PAR 54TSOP II
IC REG CTRLR BUCK 16SOIC
IC AMP 2.4GHZ 86 PLASTIC PACKAGE
IGBT Modules
LM3240DMX NS
MAX7548JCWP 0819+
IC FLASH 512MBIT PARALLEL 64FBGA
LPC1769FBD100 Original
ADI TSSOP16
IC OPAMP ZER-DRIFT 2CIRC 8VSSOP



